您好!欢迎访问广元市利州区中医医院官网 今天是
  • 医院首页
  • 医院概况
    • 院长寄语
    • 书记寄语
    • 医院简介
    • 领导班子
  • 专家介绍
    • 名医介绍
    • 医生介绍
  • 就医服务
    • 门诊安排
    • 预约挂号
    • 就医指南
    • 健康体检
    • 交通指南
    • 医保专栏
    • 专家坐诊
    • 资料下载
  • 新闻中心
    • 新闻动态
    • 媒体聚集
    • 通知公告
    • 信息之窗
    • 图片新闻
  • 科室导航
    • 门急诊科
    • 医技科室
    • 职能科室
    • 特色科室
  • 特色科室
  • 医学教育
  • 党的建设
  • 医患互动
  • 关注健康
  • 医院全景
    栏目导航
    新闻动态 媒体聚集 通知公告 信息之窗 图片新闻
    您现在的位置:广元市利州区中医医院 > 新闻中心 > 通知公告 >
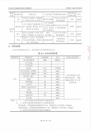
    广元市利州区中医医院2025年度上半年污水检测结果公示
    时间:2025-07-07 点击:次

    医院概况|专家介绍|就医服务|新闻中心|科室导航|特色科室

    医院地址:广元市利州区宝轮镇水电路212号

    版权所有:广元市利州区中医医院

    医院电话:0839-8522120、0839-8556739

    备案编号:蜀ICP备11027760号-2

    川公网安备 51080202000121号

    官方网站二维码
    官方微信公众号